Írjon be néhány szót a tartalom kereséséhez eg:
fuse,arrestor,00110115 technical...
Legutóbbi keresések
Technikai támogatás
This email address is being protected from spambots. You need JavaScript enabled to view it.

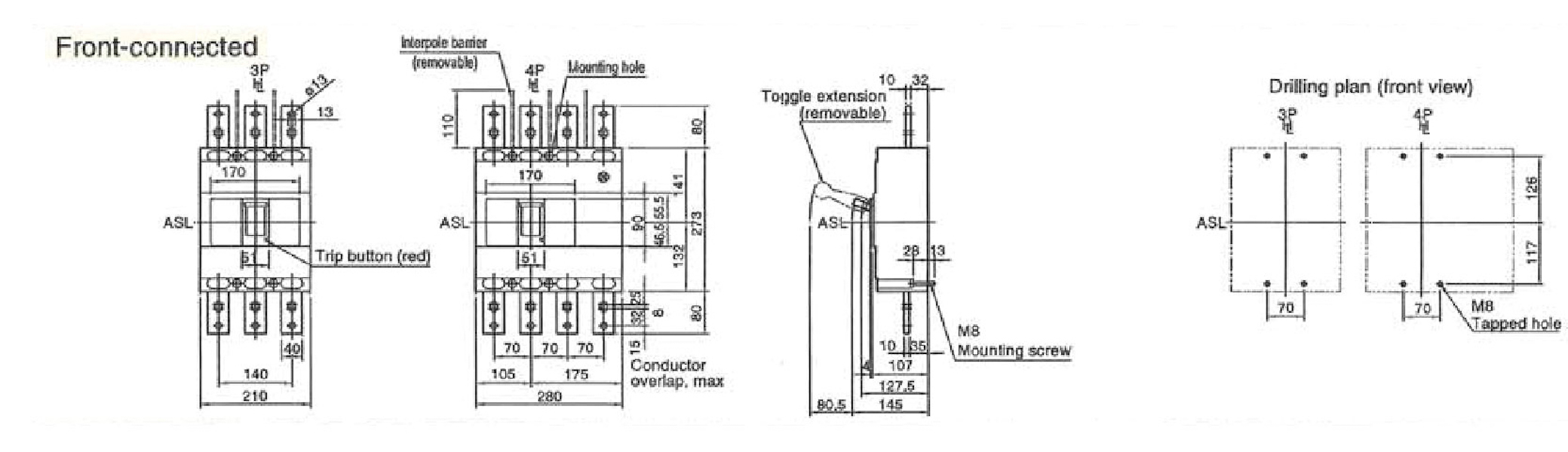
Öntöttházas megszakító EB2 800/3LE 800A 3p 004672180

Műszaki adatok

Cikkszám:
004672180
Leírás:
EB2 800/3LE 800A 3p
Osztály:
Öntöttházas megszakító
Katalóguscsoport:
EB2
Névleges áram:
800
Pólusok száma:
3
Csatlakozás típusa:
Homlokoldali csatlakozás
Névleges lökőfeszültség állóság Uimp (kV):
8
Névleges zárlati megszakítóképesség 415V-on Icu/Ics (kA):
50/50
Névleges üzemi feszültség (V AC):
690V
Névleges üzemi feszültség (V DC):
n.a.
Névleges szigetelési feszültség (V):
800
Állítható termikus kioldás:
0,4-1
Beállítható mágneses kioldás:
adjustable
Állítható vagy fix:
Állítható
Szabványok:
60947

Dokumentumok

Termék

Súly
9.1  kg
Vámtarifaszám
85362090  
logis_net_width
210  mm
logis_net_height
433  mm
logis_net_depth
143  mm

2. szintű csomagolás

Mennyiség
1  
EAN kód
3838895664888  
Súly
9.1  kg
Raklap - mennyiség
88  
Besorolás
EC000228
Osztály
Power circuit-breaker for trafo/generator/installation protection
Rated permanent current Iu
800A
Rated short-circuit breaking capacity lcu at 400 V, 50 Hz
50kA
Overload release current setting
320…800A
Adjustment range short-term delayed short-circuit release
800…8000A
Adjustment range undelayed short-circuit release
4480…9600A
Type of electrical connection of main circuit
Screw connection
Device construction
Built-in device fixed built-in technique
With switched-off indicator
Igen
Number of poles
3
Type of control element
Rocker lever
Motor drive integrated
Nem
Motor drive optional
Igen
Degree of protection (IP)
IP20
ETIM osztályozás – 7.0 verzió

Képek és diagramok

kiegészítők 53

>
>
0
Your basket is empty.